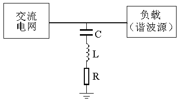
文章摘要:諧波治理方法: (1)無源濾波器濾波: 采用電力濾波裝置,就近吸收諧波源所產生的諧波電流,是抑制諧波污染的有效措施。 由電力電容器、電抗器和電阻器,適當組合而組成的無源濾波裝置,進行濾波,這種方法稱為無源濾波。 工作原理如下圖所示: 無源濾波器


日期:2017-03-06 10:53:12 點擊:81 好評:0
無功補償柜專業生商首選襄陽源創電氣;電容補償柜廠家教你提供電網的功率因數;湖北電容補償柜供應商湖北襄陽源創電氣;源創電容補償柜國內知名品牌。....

日期:2017-05-05 09:50:16 點擊:102 好評:0
無功功率補詣波治理償裝置。在電子供電系統中所承擔的作用是提高電網的功率因數,降低供電變壓器及輸送線路的損耗,提高供電效率,改善供電環境。所以無功功率補償裝置在電力供電系統中處在一個不可缺少的非常重要的位置。合理的選擇補償裝置,可以做到最大....

日期:2019-07-04 08:28:34 點擊:163 好評:0
電容補償柜的作用是平衡設備感性負載,提高功率因數,以提升設備的利用率。 為了改善電網功率因數低下帶來的能源浪費和這些不利供電生電容補償柜產的因素,必須使電網功率因數得到有效的提高。 但顯然這些無功功率如果都要由發電機提供并遠距離傳送是不合理....

日期:2017-05-15 10:27:38 點擊:176 好評:0
諧波電流和諧波電壓的出現,對于電力系統運行是一種污染,它們降低了系統電壓正弦波形的質量,不但嚴重地影響電力系統自身,而且還危及用戶和周圍的通信系統。近半個世紀以來,隨著電力電子設備的推廣應用,非線性負荷的迅速增加(例如電氣機車、工業電爐等的....

日期:2017-04-25 10:07:34 點擊:157 好評:0
那么很多人都不是很了解無功就地補償有哪些優點和缺點解析,那么我們來分析一下這個設備的運用范圍和優點,與缺點解析一下了。 無功就地補償電網中的電力負荷如電動機、變壓器等,大部分屬于感性負荷,在運行過程中需向這些設備提供相應的無功功率。在電網中....